overview
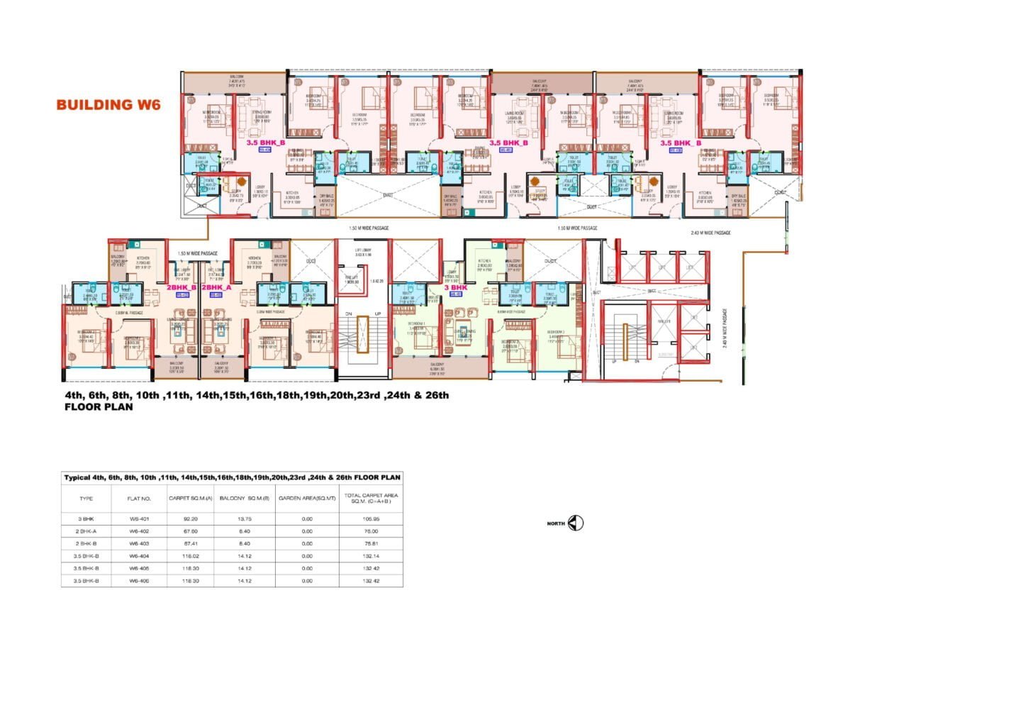
Size
1,641 sqFt
Bedrooms
5
Bathrooms
5
Project Rera Number
P52100022019
Agent Rera Number
A52100035255
address
Address:
The Collection, near F-Residences
- Country: India
- Province / State: Maharashtra
- City / Town: Pune
- Postal code / ZIP: 411014
feature
virtual tour
floor plans
mortgage calculator
file attachment
Contact
Ramnath Singh
info@21yards.com



























Reviews
There are no reviews yet.